Cement Division

      Gearboxes

    • Vertical Gearboxes
    • Central Drive Gearbox
    • Helical Gearboxes
    • Planetary Gearboxes

      Cement Plant & Equipment

    • Engineering Design & Supply of Green Field Cement Manufacturing plant of any capacities.
    • Engineering Design & Supply for Expansion of Manufacturing Capacity
    • Cement Plant Equipments and Accessories

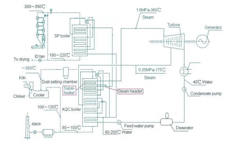
      Waste Heat Recovery Boilers

    • Supply of Grass root waste heat recovery Power Plant – EPC Basis
    • Capacity Up gradation of the present Waste Heat Recovery Plant.
    • Engineering and equipment services for Waste Heat Recovery Plant.

Please send us your enquiries for our services